技术资料
作者:管理员时间:2021-03-17 10:41:11阅读数:
过滤膜可在压力非常低(<2bar)且无浓水产生的情况下运行,因此不存在回收率的问题,所有膜组件只有平行排列这一种方式,其主要区别就在于是否具有循环回路。
原理:
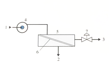
脱盐系统的运行原理如图1所示。
进水系(4)和保压阀(7)分别用于控制进水压力和回收率Y(产水流量与进水流眉的比例)。
在脱盐应用中既要达到高回收率(不出现沉积-结垢现象),又要保证每个膜组件均具有足够的流速(这将导致每个膜组件的回收率较低,要实现该目标只能通过将膜元件并联布置,并且将膜组件甚至单个膜元件的浓水进行回流,或者在系统中增设第二段膜分离工艺(将第一段膜工艺得浓水作为第二段进水等,参见本文第二章图2),甚至增设第三段工艺等成为多段膜系统。

图1 反渗透装置系统简图
1一原水;2一产水;3一浓水排放;4一进水泵;5一膜组件;6一膜;7一保压阀

图2 无回流的排列组合方式,例如3-2两段串联,整体回收率Y=70%
1一原水;2一浓水; 3一声水;4-保安过滤器;5一进水泵:6-一段膜组件, Y-50%;7一二段膜组件, Y-40% A一增压菜(如果需要)
膜组件得排列(脱盐膜系统):
如图2所示,该系统第一段膜单元采用三组膜组件,处理后的浓水进入第二段,其采用相同元件的两组膜组件,整个系统被称为3-2两段串联系统。在这种情况下,如果第一段每个压力膜组件装有8个串联的膜元件,回收率为50%;第二段每个压力膜组件装有7个膜元件,回收率为40%,则整个系统的回收率为70%。
注意:100L的进水在第一段将产出SoL水,第二段产出20L水,即总回收率为70%.
因此为了提高回收率,可以采用三段式处理系统,例如4-2-1或5-3-2组合形式。
对于多段式膜系统,需校核每支膜元件(膜组件最末端的膜元件)在最差工况下的过流通量(流通量或透水率),其应高于供应商推荐的最小过流通量;而对于最前端的膜,无论是产水通量还是过流通量,都要低于所允许的最高值。
注意:在一些小型的系统(特别是中试系统)中,采用单段膜工艺(甚至单个膜元件)通过回流部分浓水也可达到相同的效果。图3所示的就是膜回收率为10% (进水40m'h,产水4m/h)但系统回收率为80% (进水5m/h,产水4m'/h)或浓缩倍数为5倍的情况。因此这个模型能准确模拟实际工业应用中适用于最后一个膜元件的浓度水平;而水力学条件却适用于第一个膜元件。此外它无法满足系统对与水接触时间的要求,而这对于使用阻垢剂的系统十分重要。另外,水在循环过程中会显著升温,因此通常需要对水温进行控制。
值得注意的是,这一原理也适用于采用周期运行模式的微滤或超滤系统,在反冲洗过程中间歇性排污的情况除外。

图3 单段连续系统,单支膜元件回收率Y=80%
在某些情况下,特别是回收率要求比较高时,为了在可接受的水力条件下获得较高的回收率,可提高第二和/或第三段的运行压力,这是通过使用安装在各段膜单元之间的增压泵来实现的(见图3中的A点),其在一定程度上以提高进水压力的方式来补偿第一段的水头损失

扫码关注我们